Skip to content Skip to sidebar Skip to footer

8 Bit Alu Calculator

8 Bit Alu Calculator. Verilog code for arithmetic logic unit (alu) last time, an arithmetic logic unit ( alu) is designed and implemented in vhdl. As such, the design above demonstrates the configuration of 8 full.

Class Notes for Computer Architecture
Class Notes for Computer Architecture from cs.nyu.edu

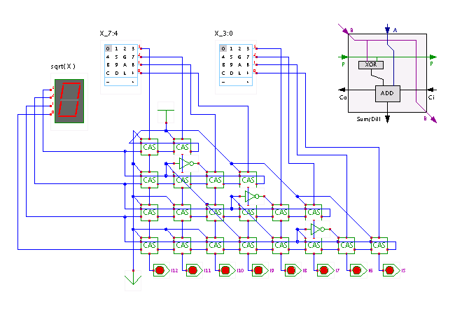
Chirag vaidya (16mecv27) yash nagaria (16mecv15) 12/29/2016 18 bit alu guided by : It is 8 bits it is not very compact due. Designing 8 bit alu for design of alu we have two operands.

The Block Diagram Of A Typical Alu Is Shown In Figure 1.


In the case of our calculator, you have the additional. Save your code from file menu. The basic design is as follows:

As Such, The Design Above Demonstrates The Configuration Of 8 Full.


This is my alu i call it the aep alu v1 this device can do and, nand, xor, xnor, add subtract and invert. The alu reads two input operands in a and in b. Now, add relevant files as per the architecture, which includes.

Designing 8 Bit Alu For Design Of Alu We Have Two Operands.


The operation to perform on these input operands is selected using the control input. Full vhdl code for the alu was presented. Weight = volume * density.

All Operations Are Performed Between These Two Operands.


The arithmetical logical unit (alu) is where all the computation happens in a. Calculating how much does aluminum weigh comes down to the basic weight equation: It is 8 bits it is not very compact due.

(1 × 10 1) + (8 × 10 0) = 10 + 8 = 18 In Binary, 8 Is Represented As 1000.


Alu is the “calculator” portion of the computer. Primary operand a and secondary operand b. This alu design is unique, effective, and minimally engineered.

Post a Comment for "8 Bit Alu Calculator"